Té femelle mécano soudé - filetage gaz cylindrique - inox 316L - SOFRA INOX
search
  • Té femelle mécano soudé - filetage gaz cylindrique - inox 316L - SOFRA INOX
  • Té femelle mécano soudé 316L

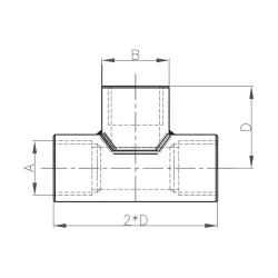
Té femelle mécano soudé filetage gaz cylindrique 316L

Filetage Gaz cylindrique (NFE 03005) 
AISI 316L - EU 1.4404

Té mécano soudé à embouts femelles à filetage gaz, fabriqué en inox 316L, destiné aux tuyauteries industrielles.

description  Téléchargez la fiche Pdf

Fiche technique

EN 10088
1.4404
AISI
316L
Filetage
gaz

Pour utiliser notre outil de demande de devis, merci de créer un compte, de renseigner une adresse postale, et de vous connecter (gratuit et sans engagement).

Demande
3108 8  1/4" 17.15 24 Connexion
3112 10  3/8" 21.34 26 Connexion
3115 15  1/2" 26.67 32 Connexion
3120 20  3/4" 35 38 Connexion
3125 25 1" 46 44 Connexion
3132 32 1" 1/4 50 52 Connexion
3140 40 1"1/2 55 54 Connexion
3150 50 2" 70 66 Connexion

Suggestion de produits