Bossage à souder - filetage NPT - 304L - Série 3000 LBS
search
  • Bossage à souder - filetage NPT - 304L - Série 3000 LBS
  • Bossage à souder NPT

Bossage à souder - filetage NPT - 304L - Série 3000 LBS

AISI 304L (1.4306)

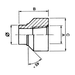
Bossage à souder à filetage NPT, pour installation norme 3000 LBS, fabriqué en inox 304L

description  Téléchargez la fiche Pdf

Fiche technique

AISI
304L
Filetage
NPT

Pour utiliser notre outil de demande de devis, merci de créer un compte, de renseigner une adresse postale, et de vous connecter (gratuit et sans engagement).

Demande
30041508N 8 13.5  1/4" 30.5 28 Connexion
30041512N 12 17.2  3/8" 30.5 32 Connexion
30041515N 15 21.3  1/2" 33.5 38 Connexion
30041520N 20 26.7  3/4" 35 44.5 Connexion
30041525N 25 33.4 1" 43 57.5 Connexion
30041532N 32 42.4 1" 1/4 48 63.5 Connexion
30041540N 40 48.3 1"1/2 51 76.1 Connexion
30041550N 50 60.3 2" 57.5 92 Connexion

Suggestion de produits