Raccord micro CLAMP complet ISO - RA inf 0,8µ - 316
search
  • Raccord micro CLAMP complet ISO - RA inf 0,8µ - 316
  • Raccord micro clamp complet ISO - RA inf 0,8µ - 316

Raccord micro clamp complet ISO - RA inf 0,8µ - 316L

AISI 316L

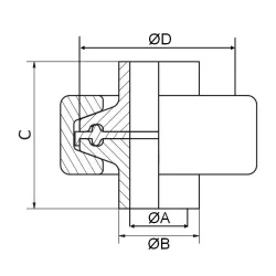
Raccord complet pour les tuyauteries ISO comportant deux ferrules micro fabriquées en inox 316L (provenance hors UE), un collier clamp et un joint d'étanchéité en EPDM.

description  Téléchargez la fiche Pdf

Fiche technique

Norme
EN 10213

Pour utiliser notre outil de demande de devis, merci de créer un compte, de renseigner une adresse postale, et de vous connecter (gratuit et sans engagement).

Demande
RSCB8MCO 6 8 32 25 Connexion
RSCB10MCO 8 10 32 25 Connexion
RSCB12MCO 10 12 32 25 Connexion
RSCB135MCO 10.3 13.5 32 25 Connexion
RSCB172MCO 14 17.2 32 25 Connexion

Suggestion de produits