AISI 316L - EN 1.4404
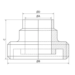
Embout fileté à souder pour raccord RJFR à tube ISO, usiné en inox 316L. Cette pièce accueille le joint à section carrée, qui assure l'étanchéité du raccord. Elle est disponible en passage intégral (RJMI) ou passage réduit (RJMV)
Fiche technique
Pour utiliser notre outil de demande de devis, merci de créer un compte, de renseigner une adresse postale, et de vous connecter (gratuit et sans engagement).
| Demande | |||||||
|---|---|---|---|---|---|---|---|
| RJMI12 | 12 | 14 | 42 | 27 | 17.2 | Connexion | Connexion |
| RJMI15 | 15 | 18 | 42 | 27 | 21.3 | Connexion | Connexion |
| RJMI20 | 20 | 23.7 | 48 | 30 | 26.9 | Connexion | Connexion |
| RJMV20 | 20 | 20 | 42 | 27 | 26.9 | Connexion | Connexion |
| RJMI25 | 25 | 30.5 | 56 | 30 | 33.7 | Connexion | Connexion |
| RJMI32 | 32 | 39.2 | 64 | 30 | 42.4 | Connexion | Connexion |
| RJMV40 | 40 | 41 | 64 | 30 | 45.1 | Connexion | Connexion |
| RJMI40 | 40 | 45.1 | 70 | 30 | 48.3 | Connexion | Connexion |
| RJMI50 | 50 | 56.3 | 80 | 30 | 60.3 | Connexion | Connexion |
| RJMV65 | 65 | 68 | 95 | 40 | 76.1 | Connexion | Connexion |
| RJMV80 | 80 | 80 | 105 | 40 | 88.9 | Connexion | Connexion |
| RJMI100 | 100 | 110.3 | 13.5 | 50 | 114.3 | Connexion | Connexion |
| RJMI125 | 125 | 135.7 | 159 | 50 | 139.7 | Connexion | Connexion |
Suggestion de produits