Bouchon male 6 pans creux 316 - DIN 906
search
  • Bouchon male 6 pans creux 316 - DIN 906
  • Bouchon male 6 pans creux 316 - DIN 906

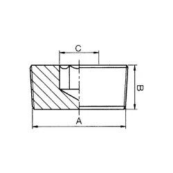
Bouchon mâle hexagonal creux - Filetage NPT - DIN 906 - inox 316

AISI 316 - EU 1.4436
Filetage NPT - DIN 906


Bouchon mâle creux hexagonal, à filetage NPT conique DIN 906, en inox 316, pour tuyauterie filetée industrielle.

description  Téléchargez la fiche Pdf

Fiche technique

EN 10088
1.4436
AISI
316
Filetage
NPT

Pour utiliser notre outil de demande de devis, merci de créer un compte, de renseigner une adresse postale, et de vous connecter (gratuit et sans engagement).

Demande
3705N 5  1/8" 8 5 Connexion
3708N 8  1/4" 10 7 Connexion
3712N 10  3/8" 10 8 Connexion
3715N 15  1/2" 10 10 Connexion
3720N 20  3/4" 12 12 Connexion
3725N 25 1" 12 17 Connexion
3732N 32 1" 1/4 18 22 Connexion
3740N 40 1"1/2 20 24 Connexion
3750N 50 2" 22 32 Connexion