Raccord complet 4 pièces SMS avec joint EPDM
search
  • Raccord complet 4 pièces SMS avec joint EPDM

Raccord complet 4 pièces SMS 316L avec joint EPDM

AISI 316L - EN 1.4404

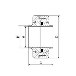
Raccord 4 pièces aseptique norme SMS à souder, usiné en inox 316L, composé de 2 pièces lisse, d'un écrou mâle et d'un écrou femelle.

description  Téléchargez la fiche Pdf

Fiche technique

AISI
316L

Pour utiliser notre outil de demande de devis, merci de créer un compte, de renseigner une adresse postale, et de vous connecter (gratuit et sans engagement).

Demande
R4P25S 22.5 25 46 55 Connexion
R4P38S 35.5 38 46 80 Connexion
R4P51S 48.5 51 46 90 Connexion
R4P63S 60.5 63.5 46 95 Connexion
R4P76S 72.9 76 46 112 Connexion

Suggestion de produits