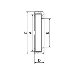
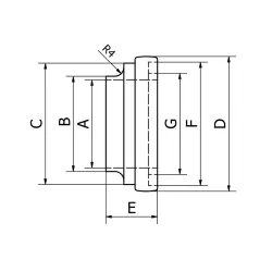
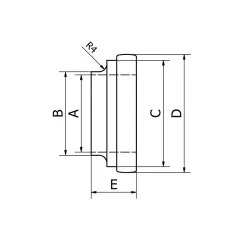
Pièce lisse avec gorge SMS - 316L
search
  • Pièce lisse avec gorge SMS - 316L

Pièce SMS lisse avec gorge - 316L

AISI 316L - EN 1.4404

Pièce lisse avec gorge pour raccord aseptique 4 pièces, format SMS, usinée en inox 316L

description  Téléchargez la fiche Pdf

Fiche technique

AISI
316L

Pour utiliser notre outil de demande de devis, merci de créer un compte, de renseigner une adresse postale, et de vous connecter (gratuit et sans engagement).

Demande
254GS 25 35.9 22.5 25 30 23 32 26 Connexion
384GS 38 60 35.5 38 54 23 55 45 Connexion
514GS 51 66.9 48.5 51 61 23 60 50 Connexion
634GS 63 72.5 60.5 63.5 63.5 23 69 61 Connexion
764GS 76 88 72.9 76 80 23 84 76 Connexion

Suggestion de produits