Bride mâle courte DIN 11864-2 à tube ASME - SOFRA INOX
search
  • Bride mâle courte DIN 11864-2 à tube ASME - SOFRA INOX
  • Bride mâle courte DIN 11864-2 à tube ASME - SOFRA INOX

Bride mâle courte DIN 11853-2 tube ASME

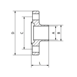
Bride mâle courte pour raccord DIN 11853-2 à tube ASME usinée en inox 316L, du DN 1/2" au DN 4"

description  Téléchargez la fiche Pdf

Pour utiliser notre outil de demande de devis, merci de créer un compte, de renseigner une adresse postale, et de vous connecter (gratuit et sans engagement).

Demande
BMDIN11853-2A15OD  1/2" 9.4 12.7 37 54 25.5 Connexion
BMDIN11853-2A20OD  3/4" 15.75 19.05 42 59 25.5 Connexion
BMDIN11853-2A25OD 1" 22.2 25.4 49 66 25.5 Connexion
BMDIN11853-2A40OD 1"1/2 34.8 38.1 49 66 25.5 Connexion
BMDIN11853-2A50OD 2" 47.5 50.8 75 92 25.5 Connexion
BMDIN11853-2A65OD 2" 1/2 60.2 63.5 89 107 25.5 Connexion
BMDIN11853-2A80OD 3" 72.9 76.2 104 125 25.5 Connexion
BMDIN11853-2A100OD 4" 97.38 101.6 135 157 27.5 Connexion