VITON®
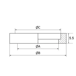
Joint alimentaire en VITON® en forme de L norme SS 1149 pour raccord SMS 1145. En utilisant ce type de joint plutôt qu'un joint à section carrée, il n'y a pas de zone de rétention à l'intérieur du raccord.
Ce joint SMS est utilisé en association avec un nez fileté, une douille lisse et un écrou de serrage, pour aboutir à un raccord alimentaire SMS 1145 complet.
Consultez notre guide sur les matières de joint de raccord pour plus d'informations.
Pour utiliser notre outil de demande de devis, merci de créer un compte, de renseigner une adresse postale, et de vous connecter (gratuit et sans engagement).
| Certificat | Demande | |||||||
|---|---|---|---|---|---|---|---|---|
| J25V | 25 | 22.5 | 31 | 25 | FKM VITON® | Connexion | Connexion | Connexion |
| J38V | 38 | 35.8 | 47 | 38 | FKM VITON® | Connexion | Connexion | Connexion |
| J51V | 51 | 48.5 | 61 | 51 | FKM VITON® | Connexion | Connexion | Connexion |
| J63V | 63 | 60.5 | 73.5 | 63 | FKM VITON® | Connexion | Connexion | Connexion |
| J76V | 76 | 73 | 86 | 76 | FKM VITON® | Connexion | Connexion | Connexion |
| J1016V | 101 | 97.6 | 116 | 101.6 | FKM VITON® | Connexion | Connexion | Connexion |
| J104V | 104 | 101 | 116 | 104 | FKM VITON® | Connexion | Connexion | Connexion |
Suggestion de produits