Raccord Union 3 pièces - Lisse mâle - gaz - faible épaisseur - 316L - SOFRA INOX
search
  • Raccord Union 3 pièces - Lisse mâle - gaz - faible épaisseur - 316L - SOFRA INOX
  • Raccord Union 3 pièces - Lisse mâle - gaz - faible épaisseur - 316L - SOFRA INOX

Raccord Union Lisse-mâle - filetage gaz - faible épaisseur - 316L

AISI 316L - EU 1.4404 - EN 10272

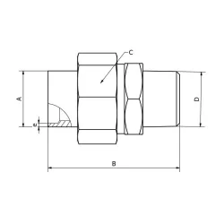
Raccord 3 pièces cône sur sphère faible épaisseur (1.6 à 2 mm), composé d'une pièce lisse et d'une pièce mâle  à filetage gaz en inox 316L et d'un écrou de serrage octogonal. Ce raccord, 100% fabriqué en France par Beal Inox, est conforme à la norme EN 10272.

description  Téléchargez la fiche Pdf

Fiche technique

AISI
316L
Filetage
gaz
Norme
EN 10272

Pour utiliser notre outil de demande de devis, merci de créer un compte, de renseigner une adresse postale, et de vous connecter (gratuit et sans engagement).

Demande
308EP16 8 13.5 41 21 1/4" 1.6 Connexion
312EP16 10 17.2 44 27 3/8" 1.6 Connexion
315EP16 15 21.3 52 32 1/2" 1.6 Connexion
320EP16 20 26.9 58 38 3/4" 1.6 Connexion
325EP2 25 33.7 63 46 1" 2 Connexion
332EP2 32 42.4 67 56 1" 1/4 2 Connexion
340EP2 40 48.3 67 64 1" 1/2 2 Connexion
350EP2 50 60.3 73 76 2" 2 Connexion

Suggestion de produits