Pièce filetée à souder SMS 316
search
  • Pièce filetée à souder SMS 316
  • Nez fileté à souder SMS 316L Import

Nez fileté SMS 316L Import

AISI 316L - EU 1.4409

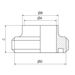
Le nez fileté SMS 1146 posséde une partie creuse qui accueille le joint d'étanchéité en L. Un écrou de serrage rond et cranté assure l'assemblage des pièces.

Nous proposons une gamme de nez filetés du DN 25 au DN 104, en inox 1.4409 (matière importée)

description  Téléchargez la fiche Pdf

Fiche technique

AISI
316L
Norme
EN 10213

Pour utiliser notre outil de demande de devis, merci de créer un compte, de renseigner une adresse postale, et de vous connecter (gratuit et sans engagement).

Demande
25556 25 Rd40 x 1/6" 22.5 25 19 Connexion Connexion
38556 38 Rd60 x 1/6" 35.5 38 23 Connexion Connexion
51556 51 Rd70 x 1/6" 48.5 51 23 Connexion Connexion
63556 63 Rd85 x 1/6" 60.5 63.5 27 Connexion Connexion
76556 76 Rd98 x 1/6" 72.9 76.1 27 Connexion Connexion
1016556 101 Rd125 x 1/6" 98.5 102.5 35 Connexion
104556 104 Rd125 x 1/4" 100 104 30 Connexion Connexion

Suggestion de produits