Pièce lisse courte DIN 11864-1 forme A pour tube ASME en inox 316L
search
  • Pièce lisse courte DIN 11864-1 forme A pour tube ASME en inox 316L
  • Pièce lisse courte DIN 11864-1 forme A pour tube ASME

Pièce lisse courte DIN 11853-1 forme A pour tube ASME

AISI 316L - EN 1.4404

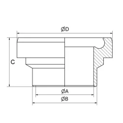
Pièce lisse courte en inox 316L (1.4404) de haute qualité, pour raccord aseptique DIN, à utiliser sur les installations  ASME-BPE (norme OD). Cette pièce lisse doit être couplée à une pièce filetée, un joint torique, et un écrou de serrage pour former le raccord complet.

description  Téléchargez la fiche Pdf

Fiche technique

AISI
316L

Pour utiliser notre outil de demande de devis, merci de créer un compte, de renseigner une adresse postale, et de vous connecter (gratuit et sans engagement).

Demande
PLSD11853-127OD  1/2" 21.9 9.4 12.7 17 Connexion
PLSD11853-1905OD  3/4" 27.9 15.75 19.05 17 Connexion
PLSD11853-254OD 1" 42.9 22.1 25.4 21 Connexion
PLSD11853-381OD 1"1/2 54.9 34.8 38.1 26 Connexion
PLSD11853-508OD 2" 66.9 47.5 50.8 30 Connexion
PLSD11853-635OD 2" 1/2 84.9 60.2 63.5 34 Connexion Connexion
PLSD11853-762OD 3" 98.9 72.9 76.2 38 Connexion
PLSD11853-1016OD 4" 118.9 97.4 101.6 46 Connexion

Suggestion de produits