Pièce lisse courte DIN 11864-1 forme A pour tube ASME | 316L 1.4404
search
  •  	Pièce lisse courte DIN 11864-1 forme A pour tube ASME | 316L 1.4404
  •  	Pièce lisse courte DIN 11864-1 forme A pour tube ASME | 316L 1.4404

DIN 11853-1 form A short liner for ASME pipe

AISI 316L - EN 1.4404

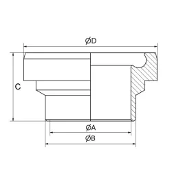
High quality 316L (1.4404) stainless steel short piece for aseptic fitting DIN, for use in ASME-BPE (OD standard) installations. This liner must be coupled with a threaded part, an O-ring and a tightening nut to form the complete fitting.

description  Download Pdf sheet

Data sheet

AISI
316L

To use our quote request tool, please create an account, enter your postal address and log in (free and without obligation).

Ask
PLSD11853-127OD 1/2" 21.9 9.4 12.7 17 Login
PLSD11853-1905OD 3/4" 27.9 15.75 19.05 17 Login
PLSD11853-254OD 1" 42.9 22.1 25.4 21 Login
PLSD11853-381OD 1" 1/2 54.9 34.8 38.1 26 Login
PLSD11853-508OD 2" 66.9 47.5 50.8 30 Login
PLSD11853-635OD 2" 1/2 84.9 60.2 63.5 34 Login Login
PLSD11853-762OD 3" 98.9 72.9 76.2 38 Login
PLSD11853-1016OD 4" 118.9 97.4 101.6 46 Login

You might also like