Douille à souder SMS 316L
search
  • Douille à souder SMS 316L
  • Pièce lisse à souder SMS 316L

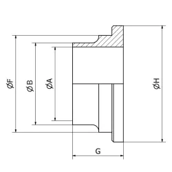
Douille lisse SMS en inox 316L

AISI 316L - EU 1.4404 - Certifié DESP

Douille lisse à souder norme SMS 1147 pour raccord alimentaire, usinée en inox 316L par BEAL INOX, 100% fabrication française.

Cette pièce est associée à un nez fileté SS 1146, qui accueille un joint d'étanchéité en L. La liaison entre les pièces est assurée par un écrou de serrage à crans.

Nous proposons des douilles SMS du DN 25 au DN 104. Notre équipe est à votre service pour vous donner nos prix et les caractéristiques techniques de nos produits.

description  Téléchargez la fiche Pdf

Fiche technique

Norme
EN 10272

Pour utiliser notre outil de demande de devis, merci de créer un compte, de renseigner une adresse postale, et de vous connecter (gratuit et sans engagement).

Demande
25756L 25 22.5 25 32 15.5 35.5 Connexion Connexion
38756L 38 35.5 38 47.9 16 55 Connexion Connexion
51756L 51 48.5 51 60.4 17 65 Connexion Connexion
63756L 63 60.5 63.5 73.5 17 80 Connexion Connexion
76756L 76 72.9 76 86.5 19 93 Connexion Connexion
104756L 104 100 104 112.5 19 118 Connexion Connexion

Suggestion de produits