AISI 316L - EU 1.4404 - PED certified
Welding liner for SMS 1145 food fittings, machined in 316L stainless steel by BEAL INOX, 100% French manufacturing.
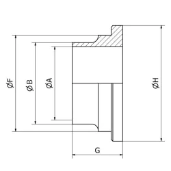
This part is associated with a threaded nose, which accommodates the L-shaped seal. The connection between the parts is ensured by a lock nut.
Data sheet
To use our quote request tool, please create an account, enter your postal address and log in (free and without obligation).
| Ask | ||||||||
|---|---|---|---|---|---|---|---|---|
| 25756L | 25 | 22.5 | 25 | 32 | 15.5 | 35.5 | Login | Login |
| 38756L | 38 | 35.5 | 38 | 47.9 | 16 | 55 | Login | Login |
| 51756L | 51 | 48.5 | 51 | 60.4 | 17 | 65 | Login | Login |
| 63756L | 63 | 60.5 | 63.5 | 73.5 | 17 | 80 | Login | Login |
| 76756L | 76 | 72.9 | 76 | 86.5 | 19 | 93 | Login | Login |
| 104756L | 104 | 100 | 104 | 112.5 | 19 | 118 | Login | Login |
You might also like