AISI 316L - EU 1.4404
Douille à souder en inox 316L (1.4404) pour raccord laitier DIN 11851, utilisé dans l'industrie alimentaire. Nous proposons une gamme complète de diamètres (DN) de pièces lisses DIN, du DN 10 au DN 150.
Cette douille est de fabrication 100% française par Beal Inox et nous proposons également une gamme complète de nez filetés DIN 11851 dans la même qualité d'acier inox.
Fiche technique
Pour utiliser notre outil de demande de devis, merci de créer un compte, de renseigner une adresse postale, et de vous connecter (gratuit et sans engagement).
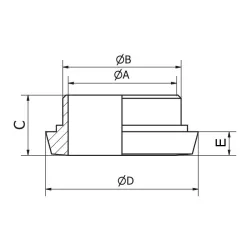
| Demande | |||||||
|---|---|---|---|---|---|---|---|
| PLSDIN106L | 10 | 9 | 12 | 17 | 22 | 6 | Connexion |
| PLSDIN156L | 15 | 15 | 18 | 17 | 28 | 6 | Connexion |
| PLSDIN206L | 20 | 19 | 22 | 18 | 36 | 8 | Connexion |
| PLSDIN256L | 25 | 25 | 28 | 22 | 44 | 10 | Connexion |
| PLSDIN326L | 32 | 31 | 34 | 25 | 50 | 10 | Connexion |
| PLSDIN406L | 40 | 37 | 40 | 26 | 56 | 10 | Connexion |
| PLSDIN506L | 50 | 49 | 52 | 28 | 68 | 11 | Connexion |
| PLSDIN656L | 65 | 66 | 70 | 32 | 86 | 12 | Connexion |
| PLSDIN806L | 80 | 81 | 85 | 37 | 100 | 12 | Connexion |
| PLSDIN1006L | 100 | 100 | 104 | 44 | 121 | 15 | Connexion |
| PLSDIN1256L | 125 | 125 | 129 | 34 | 150 | 17 | Connexion |
| PLSDIN1506L | 150 | 150 | 154 | 37 | 176 | 18 | Connexion |
Suggestion de produits