AISI 316L - EU 1.4404
Sstainless steel 316L (1.4404) liner for DIN 11851 fitting, used in the food or dairy industry. A wide range of nominal diameters (DN) is available.
Made 100% in France by Beal Inox in its production plant in Auvergne.
Data sheet
To use our quote request tool, please create an account, enter your postal address and log in (free and without obligation).
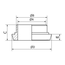
| Ask | |||||||
|---|---|---|---|---|---|---|---|
| PLSDIN106L | 10 | 9 | 12 | 17 | 22 | 6 | Login |
| PLSDIN156L | 15 | 15 | 18 | 17 | 28 | 6 | Login |
| PLSDIN206L | 20 | 19 | 22 | 18 | 36 | 8 | Login |
| PLSDIN256L | 25 | 25 | 28 | 22 | 44 | 10 | Login |
| PLSDIN326L | 32 | 31 | 34 | 25 | 50 | 10 | Login |
| PLSDIN406L | 40 | 37 | 40 | 26 | 56 | 10 | Login |
| PLSDIN506L | 50 | 49 | 52 | 28 | 68 | 11 | Login |
| PLSDIN656L | 65 | 66 | 70 | 32 | 86 | 12 | Login |
| PLSDIN806L | 80 | 81 | 85 | 37 | 100 | 12 | Login |
| PLSDIN1006L | 100 | 100 | 104 | 44 | 121 | 15 | Login |
| PLSDIN1256L | 125 | 125 | 129 | 34 | 150 | 17 | Login |
| PLSDIN1506L | 150 | 116 | 154 | 37 | 176 | 18 | Login |
You might also like