4-piece aseptic fittings

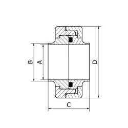
The 4-piece Union fittings consist of 2 central smooth pieces (one of which contains the seal) and a 2-part (male and female) locknut, which surrounds the central block. The gasket is thus doubly surrounded by the metal, which ensures a perfect seal.

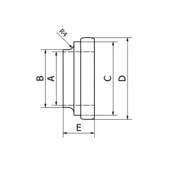
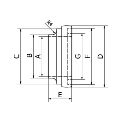
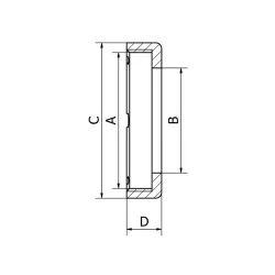
The fittings are machined from 316L stainless steel and are compatible with ISO or SMS piping.

There are 12 products.

Showing 1-12 of 12 item(s)

Active filters