Short male flange DIN 11853-2 316L ASME pipe - SOFRA INOX
search
  • Short male flange DIN 11853-2 316L ASME pipe - SOFRA INOX
  • Short male flange DIN 11853-2 316L ASME pipe - SOFRA INOX

Short male flange DIN 11853-2 ASME pipe

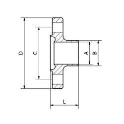
Short male flange for DIN 11853-2 connection with ASME pipe machined in 316L stainless steel, from DN 1/2" to DN 4"

description  Download Pdf sheet

To use our quote request tool, please create an account, enter your postal address and log in (free and without obligation).

Ask
BMDIN11853-2A15OD 1/2" 9.4 12.7 37 54 25.5 Login
BMDIN11853-2A20OD 3/4" 15.75 19.05 42 59 25.5 Login
BMDIN11853-2A25OD 1" 22.2 25.4 49 66 25.5 Login
BMDIN11853-2A40OD 1" 1/2 34.8 38.1 49 66 25.5 Login
BMDIN11853-2A50OD 2" 47.5 50.8 75 92 25.5 Login
BMDIN11853-2A65OD 2" 1/2 60.2 63.5 89 107 25.5 Login
BMDIN11853-2A80OD 3" 72.9 76.2 104 125 25.5 Login
BMDIN11853-2A100OD 4" 97.38 101.6 135 157 27.5 Login