AISI 316L - EU 1.4404 - PED Certified
Weld-on threaded male part for SMS 1145 fitting, in stainless steel 316L (1.4404), made in France by BEAL INOX
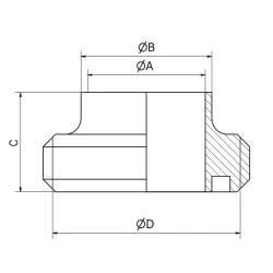
Associated with a smooth SMS socket, the threaded nose has a hollow part which accommodates an L-shaped seal. The contact of the parts is ensured by a round and notched tightening nut.
We offer a range of threaded noses from DN 25 to DN 104.
Data sheet
To use our quote request tool, please create an account, enter your postal address and log in (free and without obligation).
| Ask | |||||||
|---|---|---|---|---|---|---|---|
| 25556L | 25 | 22.5 | 25 | 19 | Rd40 x 1/6" | Login | Login |
| 38556L | 38 | 35.5 | 38 | 23 | Rd60 x 1/6" | Login | Login |
| 51556L | 51 | 48.5 | 51 | 23 | Rd70 x 1/6" | Login | Login |
| 63556L | 63 | 60.5 | 63.5 | 27 | Rd85 x 1/6" | Login | Login |
| 76556L | 76 | 72.9 | 76 | 27 | Rd98 x 1/6" | Login | Login |
| 104556L | 104 | 100 | 104 | 30 | Rd125 x 1/4" | Login | Login |
You might also like