AISI 316 - EU 1.4436
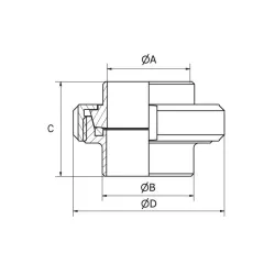
DIN 11851 food fitting consisting of a liner and a threaded part made of stainless steel 316 (1.4436), a tightening nut made of stainless steel 304, and an O-ring.
With the German DIN 11851 system, the O-ring is completely surrounded by the threaded part, which ensures a perfect seal.
Data sheet
To use our quote request tool, please create an account, enter your postal address and log in (free and without obligation).
| Ask | ||||||
|---|---|---|---|---|---|---|
| RDIN1006 | 10 | 9 | 12 | 34 | 38 | Login |
| RDIN1506 | 15 | 15 | 18 | 34 | 44 | Login |
| RDIN2006 | 20 | 19 | 22 | 36 | 54 | Login |
| RDIN2506 | 25 | 25 | 28 | 45 | 63 | Login |
| RDIN3206 | 32 | 31 | 34 | 51 | 70 | Login |
| RDIN4006 | 40 | 37 | 40 | 53 | 78 | Login |
| RDIN5006 | 50 | 50 | 52 | 57 | 92 | Login |
| RDIN6506 | 65 | 66 | 70 | 65 | 112 | Login |
| RDIN8006 | 80 | 81 | 85 | 75 | 127 | Login |
| RDIN10006 | 100 | 100 | 104 | 89 | 148 | Login |
| RDIN12506 | 125 | 125 | 129 | 70 | 178 | Login |
| RDIN15006 | 150 | 116 | 154 | 76 | 210 | Login |
You might also like