Raccord complet 2 ferrules lg 21.5 + collier + joint EPDM - RA inf 0.8µ
search
  • Raccord complet 2 ferrules lg 21.5 + collier + joint EPDM - RA inf 0.8µ
  • Raccord complet 2 ferrules lg 21.5 + collier + joint EPDM - RA inf 0.8µ

ISO Clamp complete fitting 21.5mm - RA less 0,8µ - 316L/1.4404 DESP

AISI 316L - EU 1.4404 DESP (Norme EN 10272)

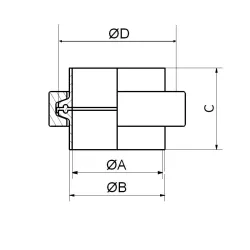
Clamp fitting compatible with the ISO standard, composed of 2 ferrules of 21.5mm length machined in stainless steel 316L/1.4404 DESP (EN 10272 standard), a clamp collar and an EPDM seal.

Notice : STP plans do not include the clamp

description  Download Pdf sheet

Data sheet

Standard
EN 10272

To use our quote request tool, please create an account, enter your postal address and log in (free and without obligation).

Ask
RSCB269C* 20 23.7 26.9 44 50.5 Login Login
RSCB337C* 25 29.7 33.7 44 50.5 Login Login
RSCB424C* 32 38.4 42.4 44 50.5 Login Login
RSCB483C* 40 44.3 48.3 44 64 Login Login
RSCB603C* 50 56.3 60.3 44 77.5 Login Login
RSCB76C* 65 72.9 76.1 44 91 Login Login
RSCB889C* 80 84.9 88.9 44 106 Login Login
RSCB1143C* 100 110 114.3 44 130 Login Login

You might also like