AISI 316L - EU 1.4404
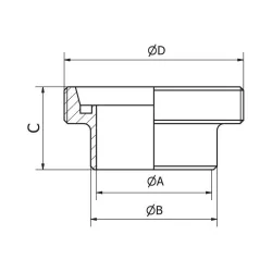
High quality 316L (1.4404) stainless steel threaded part for DIN 11851 connection, for use in the dairy industry. This part is associated with a smooth part to surround the seal.
This part is 100% French made by Beal Inox, machined in its production plant in Ambert (63).
Data sheet
To use our quote request tool, please create an account, enter your postal address and log in (free and without obligation).
| Ask | ||||||
|---|---|---|---|---|---|---|
| PFSDIN106L | 10 | 9 | 12 | 21 | 28*1/8" | Login |
| PFSDIN156L | 15 | 15 | 18 | 21 | 34*1/8" | Login |
| PFSDIN206L | 20 | 19 | 22 | 24 | 44*1/6" | Login |
| PFSDIN256L | 25 | 25 | 28 | 29 | 52*1/6" | Login |
| PFSDIN326L | 32 | 31 | 34 | 32 | 58*1/6" | Login |
| PFSDIN406L | 40 | 37 | 40 | 33 | 65*1/6" | Login |
| PFSDIN506L | 50 | 49 | 52 | 35 | 78*1/6" | Login |
| PFSDIN656L | 65 | 66 | 70 | 40 | 95*1/6" | Login |
| PFSDIN806L | 80 | 81 | 85 | 45 | 110*1/4" | Login |
| PFSDIN1006L | 100 | 100 | 104 | 54 | 130*1/4" | Login |
| PFSDIN1256L | 125 | 125 | 129 | 46 | 160*1/4" | Login |
| PFSDIN1506L | 150 | 116 | 154 | 50 | 190*1/4" | Login |
You might also like